HBV200H VINYL FLOOR DRAIN
![]() |
![]() |
|||||||||||||||||||||||
|---|---|---|---|---|---|---|---|---|---|---|---|---|---|---|---|---|---|---|---|---|---|---|---|---|
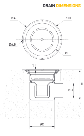
| ØA | Outer Flange Diameter | 295mm |
||||||||||||||||||||||
| ØL | Lid Diameter |
245mm |
||||||||||||||||||||||
| PCB | Fixing Down Screws Pitch Diameter | 280mm | ||||||||||||||||||||||
| ØB | Connection Diameter |
110mm |
||||||||||||||||||||||
| ØC | Drian Diameter |
185mm |
||||||||||||||||||||||
| H | Drain Overall Height |
225mm |
||||||||||||||||||||||
| T | Lid Material Thickness |
6mm |
||||||||||||||||||||||
![]() |
||||
Download Revit Model |
||||
- APPLICATIONS
- MATERIALS & FINISHES
- PERFORMANCE
- INSTALLATION
- • Suitable for vynil floor installations
- • Hospitals and Clinics, Canteens, Hospital kitchens, Wineries and Breweries
- • Designed for both domestic and commercial applications
- • Manufactured in 304 stainless steel, 316 grade stainless steel is optional
- • Polished top grating cover
- • Grating covers are supplied to suit specific operational loads
- • Drain supplied with a 50mm water seal as standard or a recommended optional Green Drain™ water seal for very high hygienic applications
- • Available in extended floor drain design with 50mm/76mm side inlet
- • Excellent corrosion resistance
- • Hygienic
- • Supplied with solids catcher basket
- • Easy to install
- • Screwed down grating cover for safety and security. High security screws are optional
- • Easy to clean and maintain
![]() |
![]() Add "Green Drain™" to your Herbish Floor DrainIntroduces the all new Green Drain™ waterless trap in its new range of green drains in South Africa. The Green Drain™ dual patent design allows for the flow of water and debris, while blocking gases, odors and pests. |
|









